A2VK Series Hydraulic Pump A2VK12MAOR4G1PE1-SO2 A2VK28MAGR1G1PE2-SO A2VK55MAOR1G1PE1-SO Piston Pump
| Model Number | A2VK12MAOR4G1PE1-SO2, A2VK28MAGR1G1PE2-SO, A2VK55MAOR1G1PE1-SO |
|---|
Product Description
Features of Metering Pump Series A2VK:
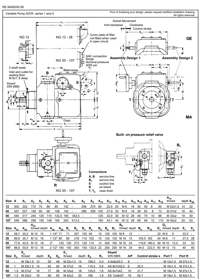
* Variable displacement axial piston pump, designed for suction and flow distribution of polyurethane components.
* High flow distribution accuracy, with repeatability in variable suction volume.
* Reliable manual adjustment of the precision measurement range via an integrated handwheel.
* Maximum operating pressure up to 250 bar.
* Low pulsation of the pumped medium.
* Due to special material pairings and sealing elements, pump components are compatible with the pumped media (polyols,
isocyanates).
* Low noise level.
* Excellent volumetric efficiency for high flow distribution accuracy.
* Double shaft seals with buffered fluid ports ensure safe operation (as well as environmental protection).
* Corrosion resistance.
Application Scenarios of A2VK Pumps:
* Polyurethane industry: Precise metering of polyols and isocyanates for foam (furniture, construction), coatings, and adhesives
production.
* Chemical processing: Fine batching of corrosive/high-viscosity media with high flow accuracy.
* Composite material molding: Controlled delivery of resins for uniform composite part fabrication.
* Industrial painting: Stable supply of coatings to avoid pulsation-induced defects.
* High-pressure hydraulic systems: Supplementary oil supply with excellent volumetric efficiency.
A2VK12MAOR4G1PE1-SO2
A2VK28MAGR1G1PE2-SO
A2VK55MAOR1G1PE1-SO
A2VK107MAOR1G0PE2-SO
A2VK12OVOR4G00P-SO2
A2VK28OVGR1G00P
A2VK55OVGR1G00P-SO10
A2VK28GEO R1G1PE2-SO5
A2VK12MAOL4G0PE1-SO
A2VK28MAOL1G0PE2-SO
A2VK107MAOL1G0PE2-SO
A2VK12MAGR4G0PE1
A2VK28MAGR1G0PE1-SO2
A2VK55MAGR1G0PE2-SO2
A2VK12MAOR4G0PE2-SO2
A2VK28MAOR1G0PE1-SO7
A2VK55MAOR1G0PE2-SO2
A2VK12MAOR4G0PE1-SO10
A2VK28OVGR1G00P-SO10




Company Profile




Frequently Asked Questions
1.What ls our Main Products?
1.Hydraulic pump
2.Hydraulic valve
3.Hydraulic motor
4.Hydraulic cylinder
5.Hydraulic parts
2. What about the MOQ?
3.What are your advantages?
- Adhere to quality first.
- Support customization, ODM & OEM service.
- 1-year warranty and complete after-sales support.
- Safe and fast shipping worldwide.
- 24-hour online service for your inquiries.
4.Are you a manufacturer? What’s your delivery time?
5.Which payment methods are accepted?
6.How will you deliver my goods?
7.How do you inspect and guarantee your products?
8.What about after-sales service?
9.What are your main applications?
- Hydraulic systems
- Agricultural machinery
- Construction machinery
- Automobile industry
- Local distributors and maintenance centers
10.Can I get a discount for bulk orders?
Professional Manufacturer












